• Willkommen im Geoclub - dem größten deutschsprachigen Geocaching-Forum. Registriere dich kostenlos, um alle Inhalte zu sehen und neue Beiträge zu erstellen.

Schaltungen, Hilfe bei allen Fragen selbstgebaute Hardware

Cachehunter12

Geocacher
Wieder mal hast du mir geholfen!
Danke!

Soeben habe ich meine V1.0 des Spannungsreglers fast genau so wie in deinen Wartungsfreien Cachestation verwendet wird auf einer Lochrasteplatine aufgebaut!
Bei mir sind nur Zeit noch 2 einzelen LED's im Einsatz und das ganze ist noch ein wenig groß, aber das wird sicherlich mit der Zeit immer kleiner werden!

Gruß Cachehunter12
 
OP
radioscout

radioscout

Geoking
Mit einem Brueckengleichrichter wird "die Polung der Batterie automatisch korrigiert". Mit Schottkydioden bei nur ca. 1 V Spannungsabfall.

Ganz ohne aber mit bei Verpolung hoeherer Stromaufnahme mit Relais 2 mal um und Diode (ggf. plus Schutzdioden).

Details wenn ich meinen Laptop wieder habe.
 

Teddy-Teufel

Geoguru
Wenn das Teil arbeiten soll, egal wie herum man die Batterie an die Kontakte hält, nimmt man ganz einfach eine Grätzschaltung.
Beim Verpolungsschutz reicht allerdings einfach eine Diode.
 

upigors

Geowizard
na das ist mir bekannt aber ich fand gerade das mit der rot/grünen led witzig. klar 4 dioden sind schnell zusammen gelötet, keine frage....
 

Geomane

Geocacher
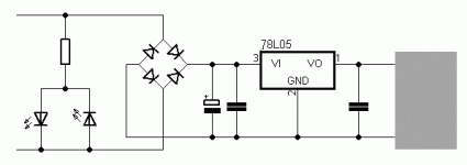
Mit der angehängten Schaltung bekommt man beides: Eine polungsunabhängige Versorgung der eigenen Schaltung (als grauer Block gezeichnet) und eine Anzeige, ob die Batterie richtig oder falsch gepolt ist. Aber wenn die Schaltung dann sowieso mit beiden Richtungen funktioniert - was ist dann "richtig" und "falsch"?
 

Anhänge

  • Versorgung.gif
    Versorgung.gif
    3,9 KB · Aufrufe: 7.266

geoWuscht

Geocacher
Hi zusammen,

kann mir vieleicht jemand sagen, wie man einen Poti an einen AD Kanal eines Attiny24 anschließen muss, um den Widerstand auszulesen? Einfach Vcc->Vcc Gnd->Gnd und Messkontakt->ADC Pin?
Das ganze soll zunächst als Testobjekt die Geschwindigkeit eines Lauflichts steuern. Wäre super wenn da jemand von euch ein Schaltbild von der Poti-Seite hätte.

Danke schonmal
geoWuscht
 

chrysophylax

Geomaster
Jepp. Genau so. Nicht zu niederohmig werden (Hausnummer <1k), sonst braucht der Spaß zu viel Strom, und nicht zu hochohmig werden (>47k), sonst gibts Messfehler in den letzten Bits. Andererseits: Für die Geschwindigkeit eines Lauflichts sind die letzten Bits glaub ich ziemlich wurscht ;)

chrysophylax.
 

geoWuscht

Geocacher
Sollte da denn Sicherheitshalber noch ein Widerstand dazwischen oder die internen Pull Ups an oder beides weg da es eher stört?
 

chrysophylax

Geomaster
Ein Längswiderstand (<1k) schadet nie "wegen der Angst" (wie ein Kollege immer sagt), allerdings zeigen ein paar Jahre Dappigkeit in der Praxis, dass man selbst mit vollen Kurzschlüssen die µC´s nicht tokriegt, solange man nicht über die Betriebsspannung oder unter Masse geht mit der Spannung am Pin. Selbst wenn man dappigerweise mal einen Pin als Ausgang definiert und entweder 5Vauf einen ausgeschalteten Ausgang oder Masse auf einen eingeschalteten Ausgang legt.

Von daher: Längswiderstände sind "lobenswertes Verhalten", aber nicht unbedingt lebensnotwendig.

Die Prozessoren sind da recht robust. Die internen Pullups sollte man bei analoger Verwendung von Pins ausschalten, die können (gerade bei Potis im eher hochohmigeren Bereich) lustige Nichtlinearitäten ins Messergebnis bringen.

chrysophylax.
 

Hard2Burn

Geocacher
Hallo. Ich plane an bei den Voicemodulen von Uwe den LDR mit einen Magnetsensor zu ersetzen.
Wenn ich nicht ganz doof bin brauch ich sowas -> http://www.conrad.de/ce/de/overview/0231410/Magnetfeld-Hall-Sensoren

was mich aber iwie verwirrt, warum sind da 3 anschlüsse an. kann mir da jmd helfen?

am ende soll sowas rauskommen.
http://www.youtube.com/watch?v=8uxyzz-81o8

viele grüße mathias
 
OP
radioscout

radioscout

Geoking
Diese Magnetsensoren enthalten neben dem eigentlichen Sensor (der, wenn es ein Hall-Sensor ist, auch Strom benötigt) noch Elektronik, die mit Spannung versorgt werden muß.

Für Deine Anwendung ist ein Reedkontakt das Richtige.
 

upigors

Geowizard
gibts ab 39 cent bei Reichelt. Als Kunststoff was um 1,50 Euro
Einfach dort mal nach "Reed" suchen, alle Relais aussortieren und was über bleibt passt ;-)
Du brauchst nur nen Reedsensor/Reedschalter/Magnetsensor mit einem Schliesser....
 

upigors

Geowizard
was genau soll das Modul denn können?
Ich behaupte mal mich ganz gut in der "Branche" auszukennen und was ich nicht selber da hab kann ich dir zum Mindestens empfehlen.
Also klick mal in meine Signatur oder auf http://www.voicemodul.de.
Ob die dann "gut" sind kannst du selber entscheiden, qualitativ hochwertig sind sie auf jeden Fall ;-)
 

Bahaoth

Geocacher
Also ich wollte ein Soundmodul am liebsten mit integriertem Lautsprecher.

2 Potis sollten eingestellt werden wenn beide richtig eingestelt sind, wird das Soundmodul unter Spanung gesetzt und soll abspielen.

Möglichst ein Soundmodul für Anfänger XD wo ich nicht viel machen muss.
kannst du mir da eines aus deinem Verkaufsregal empfehlen?
 

upigors

Geowizard
Da kannst du prinzipiell jedes nehmen. Zahlenschlösserund stationen die mit einer File auskommen baue ich gerne mit dem "mo1" (Modul mit Lichtsensor) natürlich ohne Lichtsensor.
Das ist preiswert, kompakt und hat den Lautsprecher schon dran, hat nen USB Port zum aufspielen der File - einfach einen der Pins nach GRd ziehen und es spielt los, wahlweise bis zu Ende oder nur solange bis der Pin wieder nach "high" geht.
Alternativ kann man das auch ohne große Elektronikkenntnisse an alle möglichen anderen Sachen dranhängen die z.B. nen LED Ausgang haben wie etwa Funktürklingeln ect.
Aber ein Modul was die Potis schon dran hat wird schwer zu finden sein (ich kenn sowas nicht), da musst du noch jemanden haben der dir das elektronisch umsetzt. Ich denke ich würde das mit so Incrementalgebern versuchen oder so 10poligen Drehschaltern. Ist aber nur meine Meinung, vielleicht gibts auch bessere Lösungen....
Hatte sowas mal mit Drehcodierschaltern http://www.elpro.org/shop/_img_products/KDR16 Kopie.jpg gebaut, entgegen allen erwartungen hats bis zur Archivierung gehalten. Leider gibts dazu kein Video mehr, damals hab ich noch nicht alles gefilmt ;)

Edit: bei reichelt gibts Drehschalter mit 12 Stellungen......
 
A

Anonymous

Guest
Hallo ich möchte ein 7-Segment Reaktivlicht bauen.
Und irgendwie soll ich auf das IC einen Code bekommen.
Wie geht das ??? :hilfe: Brauche ich ein Kabel oder so etwas ??? :hilfe:

Danke PralleGeo
 

upigors

Geowizard
versteh ich richtig, du hast so garkeine ahnung wie es geht?
dann solltest du dich einarbeiten denn für eine komplette anfängerschulung ist hier nicht der richtige platz (denke ich)
ich empfehle dir das kochbuch (auch wenn es nur den blinker und den Attiny13 behandelt) und danach das reaktivlicht-wiki http://reaktivlicht.pbworks.com/w/page/3708758/FrontPage in welchem du dann auch infos zur 7 segment anzeige findest.
trotzdem möchte ich deine frage kurz beantworten:
PralleGeo schrieb:
Und irgendwie soll ich auf das IC einen Code bekommen.
Wie geht das ??? :hilfe: Brauche ich ein Kabel oder so etwas ??? :hilfe:
irgendwie mit software (z.b. bascom) und hardware (programmer) kannst du das geschriebene programm erst compilieren und dann auf den controller übertragen.
 
Oben